Conmutador de fibra óptica Dispositivo FSW 1x2 WDM óptico mecánico de alta velocidad para la ruta del sistema de transmisión de fibra
El interruptor óptico es un tipo de componente funcional, con la capacidad de cambiar la ruta óptica. En el sistema de transmisión de fibra óptica, se utiliza para el control de fibra multicanal, la selección de múltiples fuentes de luz/detectores y la protección de la ruta de fibra óptica, etc. Además, también se utiliza en el sistema de prueba de fibra óptica para la prueba de fibra óptica y sus componentes, al aire libre Sistema de monitoreo de sensores ópticos multipunto y prueba de cable.
Información detallada | |||
| Rango de onda: | 850±40 / 1300±40 | Prueba de longitud de onda: | 850 |
| Pérdida de inserción 1, 2: | ≤1,2 dB (incluye conector de fibra óptica) | Conector: | CONECTORES SC LC FC / UPC/APC |
| Pérdida de retorno: | ≥30dB | Diafonía: | milímetro ≥ 35dB |
| Dimensión: | (L)150.0×(W)80×(H)70 ±0.2 | Repetibilidad: | ≤±0,05 DB |
| Destacar: | divisor de fibra optica,componentes wdm | ||
1. Características
·Baja Pérdida y Alta Confiabilidad
·Diseño Modularizado
·Libre de epoxi en el camino óptico
2. Aplicaciones
·Red en Anillo
·Monitoreo Remoto en Red Óptica
·Pruebas de Fibra, Componente Óptico
3. Cumplimiento
a.Telcordia GR-1209-CORE-2001
b.Telcordia GR-1221-CORE-1999
c.UIT-T G.694.1
d.RoHS
4. Especificaciones
Parámetros | Unidad | FSW-1×24 | |
Rango de onda | Nuevo Méjico | 850±40 / 1300±40 | 1260 ~ 1650 |
Prueba de longitud de onda | Nuevo Méjico | 850 | |
Pérdida de inserción | dB | ≤1.2dB(Incluye conector de fibra óptica) | |
Pérdida de retorno | dB | MM ≥ 30 | |
Diafonía | dB | MM ≥ 35 | |
PDL | dB | ≤0.05 | |
WDL | dB | ≤0.25 | |
Repetibilidad | dB | ≤±0,05dB | |
Tensión de funcionamiento | V | 3.0 o 5.0 | |
Durabilidad | Ciclos | ≥ 10 millones | |
Tiempo de cambio | milisegundo | 10 ms (canal adyacente) | |
Potencia óptica | mW | ≤500 | |
Temperatura de funcionamiento | ℃ | -20 ~ +70 | |
Temperatura de almacenamiento | ℃ | -40 ~ +85 | |
Humedad relativa | % | 5 ~ 95 | |
Peso | gramo | 14 | |
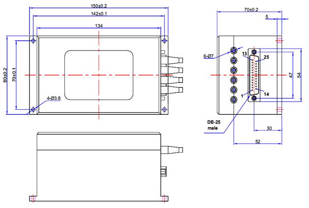
Dimensión | milímetro | (L)150.0×(W)80×(H)70 ±0.2 | |
Nota: 1 Dentro de la temperatura de funcionamiento y SOP. 2 Excluyendo Conectores. | |||
5. Estructura del producto

6. Configuraciones de pines (DB9)

| Alfiler | Nombre | E/S | Descripción |
| 1,14,10,23 | TIERRA | Energía | |
| 7 | TXD | Producción | Señal de envío del puerto serie |
| 6 | RXD | Aporte | Señal de recepción del puerto serie |
| 12,24,25 | +5 VCC | Energía | +5 V CC Máx.: 550 mA Promedio: 300 mA |
| Otro | N / A |
7. Definición de comando
Tasa de baudios: 9600bps
Paridad: ninguna
Bit de datos: 8 bits
Bit de parada: 1 bit
| Dominio | Descripción |
| <ESTADO_?> | Comprobación del estado actual: <STA_canales generales _ modo de control _ canal actual> <STA_032_1_001> |
<MODO_x>
| configuración del modo de control: x=0:Control paralelo x=1:Control serie Volver con éxito:<MODO_OK> falla de espalda:<MODE_ER> |
<CHN_xxx>
| Configuración actual del canal: valor xxx: 000 ~ 128 (de ch0 a ch 128) Volver con éxito:<CHN_OK> falla de espalda:<CHN_E1>o<CHN_E2> |
8. Notas:
Al instalar el módulo óptico, el núcleo de la fibra óptica no debe doblarse demasiado (consulte a continuación), para no afectar el índice de rendimiento del módulo óptico.


9.Nuestros servicios:
a.Fabricante profesional, 100% probado por más de 3 veces.
b. Soluciones para clientes en días, no en semanas.
c.Servicios cordiales con esmeradas atenciones.
d.Puede proporcionar su consulta específica dentro de las 24 horas.
e. Ahorre mucho costo, brinde más beneficios para que el cliente amplíe el negocio.
f.Tenemos 12 años de experiencia en este campo. Somos el proveedor profesional en el que puede confiar.





CONTÁCTENOS
Aproveche nuestro conocimiento y experiencia inigualable, le ofrecemos el mejor servicio de personalización.
ENVÍANOS UN MENSAJE
LÍNEA DIRECTA
+8613509645699
CORREO ELECTRÓNICO
RECOMENDADO
Todos nuestros productos se fabrican según los más estrictos estándares internacionales. Han sido reconocidos tanto en el mercado nacional como en el extranjero.
Actualmente exportan ampliamente a 200 países.